变压器系列箱式变电站系列中/高压开关柜系列低压开关柜系列
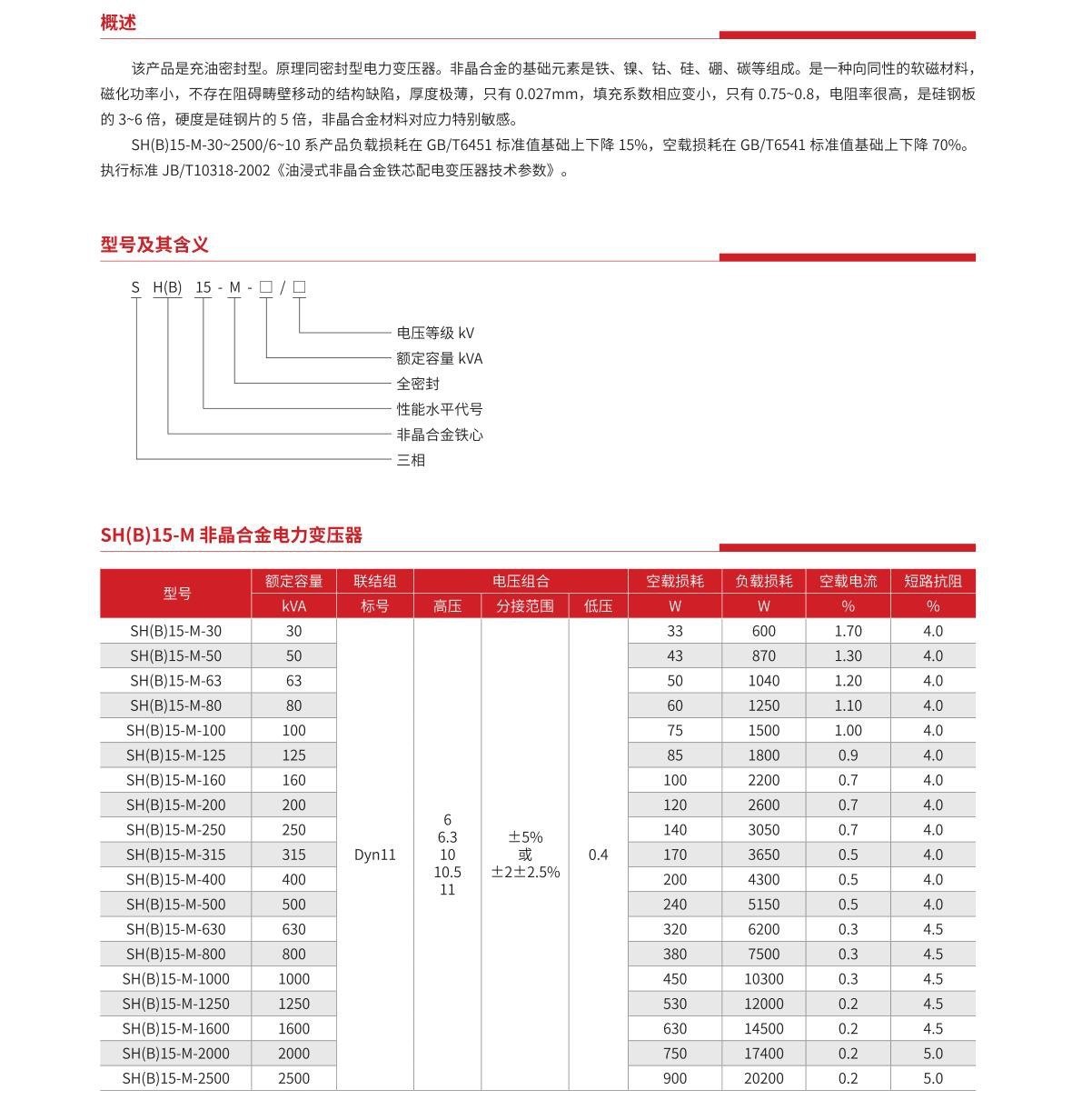
SH(B)15-M非晶合金电力变压器
SH(B)15-M非晶合金电力变压器
服务热线:0795-3528333
产品详情

1.jpg

扫码浏览手机网站

扫码关注公众号

24小时咨询热线:

0795-3528333

地址:宜春市彬江工业园工业大道33号

Copyright © 2021 jxthdq.com All Rights Reserved 版权所有·江西腾辉电气设备有限公司 本站支持IPV4及IPV6双向访问 备案号:赣ICP备2021002057号-1 公安备案号赣公网安备36090202000366号

网站地图XML   您有20条留言信息!